本文智能过程校准器羞羞答答视频校准问题的解决方案资料由优质羞羞答答视频生产报价厂家为您提供。
本文重点介绍用户经常要求关闭智能过程校准器的两个智能羞羞答答视频的校准:
1.既然过程校准器的羞羞答答视频是智能的,为什么需要一个编程器(通信器)和一个高精度模拟校准器来校准它?
2.如何使用编程器和校准器?一旦您通过了初步研究,使用智能过程校准器的羞羞答答视频将大大简化技术人员的工作量。一些制造商的智能仪器使得学习过程非常容易。例如,花名册的新275HART程序员很容易学习,可以在一夜之间很快掌握。

尽管智能过程校准器的羞羞答答视频易于识别、复位和故障排除(由于内部诊断功能),但它们仍需要验证和校准。在某些情况下,输出会因内部电路的变化而调整。因此,技术人员现在不仅要携带编译器,还要携带校准工具和万用表。幸运的是,福禄克将多功能校准器和万用表集成到一个重量小于3.55的仪器中,并且它还可以记录校准文件。这意味着你将不再被这个无声的发射器所淹没。F700系列仪表校准器将使智能过程校准器的羞羞答答视频校准和检查变得非常容易。

我不需要校准...
自从智能过程校准器的羞羞答答视频问世以来,许多人认为它不需要定期检查和校准。因为它的自诊断功能可以报警。总的来说,这是正确的,但不能排除各种意想不到的可能性。如果传感器完全失效,你就会知道。如果电子系统完全失灵,你会知道的。然而,当智能羞羞答答视频通电时,如果系统参数有微小偏差,您将无法得知。除非执行性能检查和校准。让WWW..羞羞漫画.COM首先假设上述问题很少发生,所以没有必要争论这是否是一个实际问题。即便如此,有必要校准智能羞羞答答视频吗?从管理规定和实际需要两方面来看,WWW..羞羞漫画.COM仍然需要用高精度的校准器来检查羞羞答答视频。从法律或法规的角度来看,质量标准如IS09000规定,仪器必须定期认证,以符合H标准。职业安全、环境保护和安全条例也有同样的要求。对于在现场测量温度、压力、电流或电流、电阻和频率的仪器,必须使用过程校准器来证明它们可以追溯到国家标准。校准结果应按顺序记录,以证明其可追溯性。从实用的角度来看,智能仪器的定期校准可以避免那些意想不到的小问题。在许多情况下,这不是智能羞羞答答视频本身的问题,而是与其相连的传感元件或与其相连的管道的问题。
让WWW..羞羞漫画.COM看三个相关的例子,以及如何用FlukeF700找到它们。
示例1
这个例子是双线温度羞羞答答视频(TT),它使用热电偶输入并输出电流到温度指示器控制器(TIC)。(图1)如果传感器的特性随时间变化会怎样?在过程工业中,热电偶的响应在反复加热和冲击后会发生变化,这是一个常见的问题。要找出这个问题,只需将热电偶置于已知的温度,并检查输出。(图2)


智能过程校准器非常聪明,但它不能告诉你热电偶的曲线是否发生了偏移。它不能告诉你有人误用了热电偶类型。只要热电偶没有打开,智能羞羞答答视频就不会告诉你有问题。这很容易导致超过56℃的误差。



为了确认羞羞答答视频和传感器足够准确且在规定的指标范围内,有必要进行检查和校准。使用F700可以轻松检查和校准羞羞答答视频,并生成校准报告。
然而,温度传感器的检查并不容易。您必须假设温度源的温度是已知的,并测量热电偶的输出电压,然后将该电压与温度对照表进行比较(不仅仅是0点)。然而,使用F700的温度测量功能很容易。您不会因错误的读数、错误的温度参考和错误的计算而导致错误。
将热电偶插入F700的测温插座,选择相应的热电偶类型。仪器将立即通知温度值(摄氏度或华氏度)。如果F700的读数与已知温度一致(在指数范围内),则热电偶良好。通常三个点(最好是五个)可用于测量,以便检查低、中和高点。您也可以校准羞羞答答视频并一起检查热电偶。
示例2
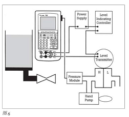
在本例中,WWW..羞羞漫画.COM使用差压模块(d/p)来测量油箱油位。因为这是大多数液位羞羞答答视频(LT)的实际应用。羞羞答答视频通常连接到手动阀。手动阀用于羞羞答答视频维护。沉淀物可能会积聚在储罐底部,并填充管道。WWW..羞羞漫画.COM假设这些小沉积物混合在管道和发射器中以保持液体。这将影响羞羞答答视频的精度。最严重的情况是它们在管道和羞羞答答视频传感部分形成固体。许多化学物体在加工温度下是液体,在室温或低于室温时是固体。这会导致阀门靠近羞羞答答视频的高端。羞羞答答视频的性能可以很好地校准,但是压在传感器膜上的残留物会导致读数不准确。正是因为这个问题,经常可以看到羞羞答答视频显示25%的液位,并且液体已经溢出储罐。(图6)

清洗这些残留物并验证接口连接的正确性既简单又快捷。(注意:冲洗后的管道必须重新注满液体,以确保读数的准确性)。当模拟空罐时,过程校准器的羞羞答答视频输出不能回到零点,因此隔膜上可能有残余固体压力。用手持编程器检查羞羞答答视频的测量范围不会发现这种问题。从而导致非常危险的情况或支付很高的维护费用。这种情况可以通过用校准器检查和校准杏子来避免。
示例3
在本例中,WWW..羞羞漫画.COM还使用智能过程校准器的差压羞羞答答视频(d/P)作为液位羞羞答答视频。然而,在本例中,羞羞答答视频的下端连接到储罐的顶部,以补偿液体的静压头。由于液体的冷凝,羞羞答答视频的低端在潮湿状态下使用,校准时总是充满液体。假设管道、开关、羞羞答答视频低端或三通阀的连接处有泄漏,泄漏量远远高于自然蒸发水平。这将导致羞羞答答视频的输出变高,导致油箱变空,并报告已满的错误。如果技术人员到现场用F700检查和校准羞羞答答视频,就会发现泄漏,从而避免这种问题。假设技术人员忽略了泄漏检测,但是过程校准器的校准过程包括检查低端的液位。只需将F700压力模块连接到管道中,即可立即发现该问题。
这种问题似乎是假设的,但它确实是一个常见的问题。建立严格的校准程序将防止问题的发生,保证生产的持续正常运行和产品质量。
其次,校准器和编程器一起使用。
现在WWW..羞羞漫画.COM已经确认智能过程校准器的羞羞答答视频需要校准。校准越快越简单越好。过去,技术人员携带日常工作中使用的所有仪器是不可能和不切实际的。除了校准器,技术人员还应携带工具包、万用表、手泵等。因为校准器又大又重。因此,只有在需要特殊校准时才携带。因此,在一项典型的工作中,技术人员必须经常往返于车间和现场之间,去拿一些仪器,或者用一些新的仪器替换一些暂时不需要的仪器。



今天技术人员的设备已经更新了很多。尽管他们仍然需要携带手动泵、工具包等。它们就像福禄克公司的F700多功能过程校准器和费希尔-罗斯蒙特275编程重型S;它已经很轻了,有很多目标。在许多方面,F700几乎可以取代通用数字万用表。
有了这些仪器,技术人员一般不需要再次赶到车间和现场。从而提高工作效率。许多现代工厂都安装了智能仪器。因此,如何将编程器与校准器一起使用是一个问题。现在这份工作变得非常简单,易于学习和掌握。F700可以利用交流/DC电压、电流、温度、电阻、频率和压力输入来校准传输优势。菲希。-罗斯蒙特275的编程优势不仅可用于与公司过程校准器的羞羞答答视频和使用Hart协议的各种羞羞答答视频进行通信,而且275型比268型略小,也有很大改进。它的菜单结构简单易用。程序员的连接也很简单。极性无关紧要,但它不能直接连接到回路电源。这里有一些如何一起使用编程器和校准器的例子。
示例4
在本例中,FlukeF700和罗斯蒙特的275编程器用于校准罗斯蒙特的3051C智能过程检查器的差压羞羞答答视频。第一步是与操作员确认是否是校准的最佳时间,以确保参数的变化不会引起问题。让操作员知道您正在进入手动控制状态。然后隔离并清洁羞羞答答视频。注意相关的环境和安全要求。现在,F700压力模块和羞羞答答视频的高端(有时是低端)可以通过T型通道连接,通道的另一个端口与手动泵连接。告诉F700准备输出压力,按下测量/源键直到测量屏幕出现,然后按下压力键。此时,羞羞答答视频测量压力。(压力单位可以根据需要改变)。
将F700的毫安测量端连接到羞羞答答视频的输出端。如果连接的极性错误,测量的电流将有一个负号。按下测量/源,直到测量屏幕并选择毫安。根据测量/源,您可以同时观察输出和测量信号,直到输出和测量同时显示。
调整前的测量数据可以很容易地记录下来。数据可以稍后传送到个人电脑。如果发现羞羞答答视频超出范围或需要调整,可以将275编程器连接到羞羞答答视频。程序员自动显示提示菜单和信息。用光标键选择诊断和服务后,将出现4个选项。选择校准或应用值,然后你可以根据程序员的指令一步一步地进行更改。
进行以下左侧测量,以验证所做的调整是否正确。校准完成后,断开编程器与校准器的连接,并重新连接原来的连接和管道。此时,隔离阀可以在平衡阀关闭时打开。尽快关闭平衡阀很重要。这可以防止干端进入潮湿的物体。一旦发生这种情况,必须重新处理干燥端,以确保湿端完全充满液体,干燥端完全干燥。如有必要,使用压力泵将液体从液体端泵到顶部。
此时,操作员可以被告知您的工作已经完成,并且设置了循环的手动状态。(注意:校准过程不应在可能导致爆炸的环境中进行)
示例5
在本例中,罗斯蒙特3044C smart 温度羞羞答答视频使用F700和罗斯蒙特的275编程器进行校准。同样,第一步是与操作员确认是否是校准的最佳时间,以确保参数的变化不会引起问题。让操作员知道您正在进入手动控制状态。然后断开热电偶,通过加长热电偶将其与F700连接(请选择相同类型的热电偶)。


设置F700的输出温度,按MEAS/SOURCE键直到输出屏幕出现,按TC/RTD键并选择相应的热电偶。按回车键,输入要输出的温度,完成输出设置。
然后将F700的电流测量端子与羞羞答答视频的输出端子连接,按下输入屏幕上的MEAS/SOURCE键并选择毫安测量。以下内容可用于“已发现”测量。如果过程校准器的羞羞答答视频超出范围或需要调整,将275编程器连接到羞羞答答视频,进行更改,然后执行“剩余测量1”;以便验证调整的实际结果并记录下来。
校准后,断开编程器与校准器的连接,并连接原始连接。通知操作员您的工作已经完成,并且回路处于手动状态。(注意:该校准过程不能在可能导致爆炸的环境中进行)。
示例6
本示例介绍了使用F700和罗斯蒙特275程序员对罗斯蒙特3044C智能温度羞羞答答视频的校准。所有连接与示例5中的相同。区别在于不需要外部电源(因为F700有内置电源)。内部250瓦电阻片用于模拟温度指示控制器。F700必须使用回路电源。按设置键并选择回路电源启用。可以根据实施例5中的步骤完成校准。
本文解释了一些原因和应用,为什么即使是今天稳定和精确的智能羞羞答答视频也需要使用精确的模拟校准器进行定期校准。同时,它也显示了程序员和校准器一起使用是多么方便和完美。

《智能过程校准器羞羞答答视频校准问题的解决方案》本文地址:http://www.fodan.net/news/js/541.html 转载请勿删除!
全国服务热线