本文SBWR-2161智能热电偶温度羞羞答答视频资料由优质羞羞答答视频生产报价厂家为您提供。

SBWR-2161智能热电偶简介温度羞羞答答视频;
SBW系列热电阻和热电偶温度羞羞答答视频,采用双线传输模式,将热电阻、热电偶电阻和毫伏信号转换成与输入信号或温度信号成线性关系的20mA输出信号。它可以安装在热电阻和热电偶的接线盒中形成一个整体结构,也可以以导轨的形式安装在仪表控制箱中。上海自动化仪表三厂生产的SBWR-2161智能热电偶具有耐冲击、耐潮湿、精度高、功耗低、工作环境温度范围广、运行稳定可靠等优点。作为新一代的温度测量和传输仪器,它广泛应用于冶金、石化、电力、纺织、食品等工业部门。
SBWR-2161智能热电偶温度羞羞答答视频主要技术参数:
◆范围:0-800℃
◆输入类型:E型
◆输出类型:输出20mA(输出线性至相应温度)
◆精度等级:0.5%FS,0.2%FS
◆传输模式:双线制
◆工作电源:DC12~35V,额定工作电压DC24V
◆负载电阻:0-600ω,额定负载:250ω
◆环境温度:-20℃~70℃(智能)
◆相对湿度:5%~95%
◆环境温度影响:≤0.05/1℃
温度羞羞答答视频工作原理:
SBW系列热电阻和热电偶温度羞羞答答视频,采用双线传输方式,将热电阻和热电偶的电阻和毫伏信号转换成20mA输出信号,与输入信号或温度信号成线性关系。并将信号传输到计算机或其他设备。
温度羞羞答答视频使用类型选择:

模型示例:
SBWR-2161表示e级非隔离常规型,输出与相应温度成线性关系的智能型为20mA 温度羞羞答答视频
SBWR-4261表示k分频非隔离常规型,输出与相应输入信号成线性关系的智能型为20mA 温度羞羞答答视频
SBWR-2160表示e级非隔离常规型,输出与相应的温度成线性关系,20mA输出温度羞羞答答视频
SBWR-4160表示e级非隔离常规型,输出与相应的输入信号成线性关系,输出为20mA 温度羞羞答答视频
此外,订购时应提供温度范围等参数
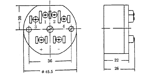
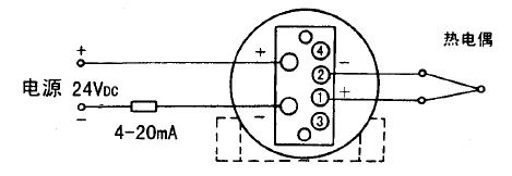
温度羞羞答答视频安装图片:
◆SBWR-2161智能热电偶温度羞羞答答视频

◆SBWR-2161智能热电偶温度羞羞答答视频连接

《SBWR-2161智能热电偶温度羞羞答答视频》本文地址:http://www.fodan.net/news/hy/922.html 转载请勿删除!
全国服务热线